Drunken Piano Tuner (74 photos)
Block VHF 2-1C Scheme
Read and Complete the Sentences
Cosmonaut with beer
Piano with Irina Bulakhova
Balance cable xlr jack 3.5 stereo
TEYES X1 4G 2/32 radio
The Secret Language of Lesbian Love
A beautiful drunk girl
LG 42 LS561T remote control
The legs of the piano
Passion in bed GIF
Connector for connecting columns 5.1 DVD BBK
Material board MSI 865GVM2-LS
The Last of Us 2 Ellie bed stage
The moon does not know the way notes for piano
Toyota NHZN-W60G connector
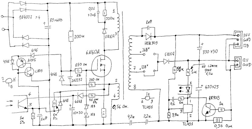
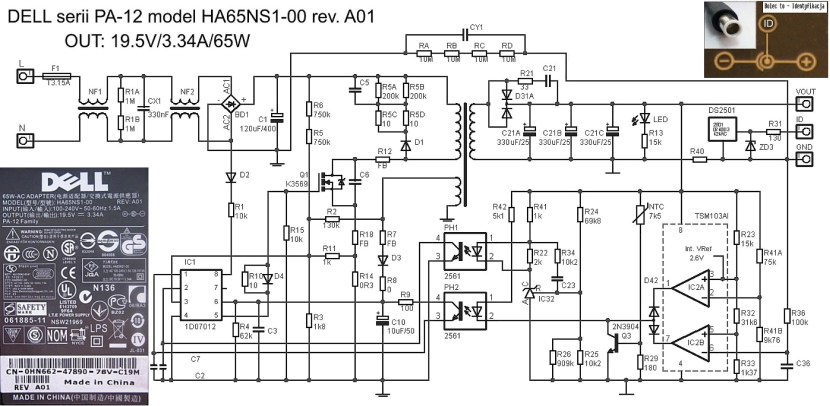
Laptop power supply HP 19V 4.74A 90W Scheme
Comic Signer Royale
ASUS PA-1900-24 power supply circuit
He slapped the girl
Honda rear camera connector
Anime piano
AC150SWLED.EUP.3.0 Scheme
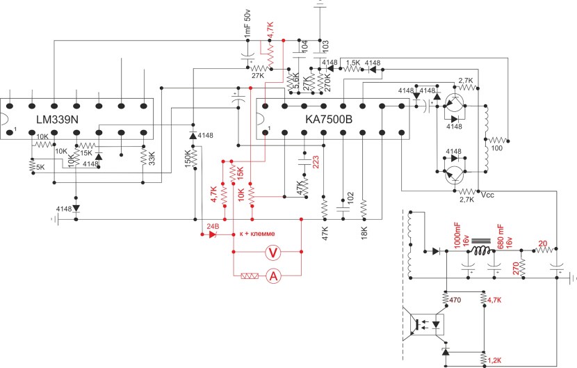
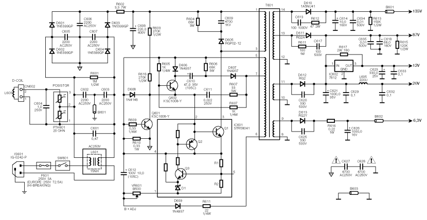
LPG-899 ATX power supply unit
Putin on a green background
Notes on the keyboard of the synthesizer 61 key
BP circuit KB-3151C receiver Continent Ir.Deta
Piano design scheme
Sprinkle of a headset heading
MYSTERY MAR 919U radio
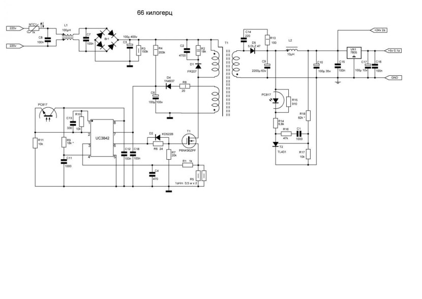
Np8qm30.pcb inverter scheme
The simulator of the girl
Funny girls at a party
Piano art
Girl on the piano
The ranges of singing votes
Arranging notes for piano
Risk assessment at the workplace
I missed notes for piano
Piano on the body
Beautiful woman for a piano
Naked for the piano
Cat and notes
Universal remote control Huayu DVB-T2+TV Ver 2019 Codes
VAZ 2114 dashboard connection diagram
Scheme of soldering headphones 3.5
Giaro and Johnny Art
Laptop power supply circuit Asus
Universal remote control Huayu DVB-T2+2 Ver.2020
Piano on the keys
The girl on the inspection in turn
Deemo piano
Scheme of the Chinese portable column
Cosma toy notes for flute
CHANGHONG RM 159E codes remote control
Notes for piano you Venus Jupiter
Scheme of the antenna tuner TV
Ignasio Noe
Mill Wolfhound Notes for Blockflate
Piano Notes 1
Podofo 7010b radio
Duduka Ly Duduk applique
Drunk woman on the table
COLORSIT 350W 340U-SCH power supply circuit
SA 07.6 Auma electric drive circuit
GDZ Prefer English
Notes and frequencies Piano table
Woman lies on the piano
Drunk friends
Air humidifier power supply Polaris circuit
Anime girl on a spaceship
Girl with pianina with back
Blutuz module Blutuz connection diagram
Match The Words To Form Phrases
0
Share on social networks:
Commentary:


